ABC-filtre GF er godkjent av DSB for bruk i tilfluktsrom i betong, og offentlige tilfluktsrom i fjell. Filteret er kompakt, og gir maksimal beskyttelse mot alle kjente stridsgasser, radioaktivt støv, og biologiske partikler.
Bruksområde
ABC-filtre GF er godkjent av Direktoratet for samfunnssikkerhet og beredskap for bruk i tilfluktsrom i betong og offentlige tilfluktsrom i fjell. Filteret er kompakt, og gir maksimal beskyttelse mot alle kjente stridsgasser, radioaktivt støv, og biologiske partikler. Filteret leveres i fire størrelser med kapasitet fra 150 m3/h til 1500 m3/h:
Funksjon
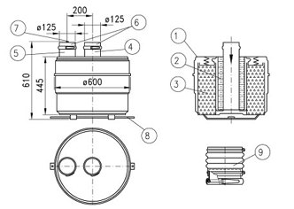
Filtreringen skjer i to trinn:
1. Radioaktivt støv og biologiske partikler filtreres i HEPA-filter
2. Stridsgasser absorberes i aktivt kullfilter
Montering
ABC-filteret er grunnsjokksikret og boltes derfor normalt direkte til gulv med ekspansjonsbolter. Ved behov for større filterkapasitet kan flere filtre parallell-kobles. Kun filtre av samme type og størrelse kan kobles parallelt. Hvert filter skal påmonteres en volumregulator for å sikre at nominell kapasitet ikke blir overskredet, og for å kompensere for ulik kanalmotstand når flere filtre er koblet i parallell. Volumregulatoren ansluttes på filterets utløpsside. Som tilleggsutstyr kan det leveres et motstandsstykke for innregulering av filtervifte, og til simulering av filterventilasjon under øvelse.
Lagring og vedlikehold
ABC-filteret tilkobles ventilasjonssystemet ved montering, men skal forbli hermetisk lukket og plombert inntil en beredskapssituasjon.
Ved klargjøring av GF 600E – GF 1500E, trekkes plomberte blindplater ved stussene ut til siden uten å koble kanalene fra hverandre.
Ved klargjøring av GF 150/180/200E, må plomberte hetter på stussene fjernes, og slangeforbindelser med hurtigkobling kobles til.
Foruten renhold og vedlikehold av filterbeholderens overflate, er det ikke behov for annet vedlikehold så lenge filteret er hermetisk lukket og plombert.
Forespørsler
Ved forespørsel og bestilling bes oppgitt:
- Type
- Tilleggsutstyr
- Motstandstykke for testing
- Volumregulator
- Ekspansjonsbolter for feste til gulv
- Filterhus
- HEPA-filter
- Aktivt kullfilter
- Innløpsstuss
- Utløpsstuss
- Plombert hette
- Trykkutjevningsskrue
- Festebraketter
- Fleksibel mansjett


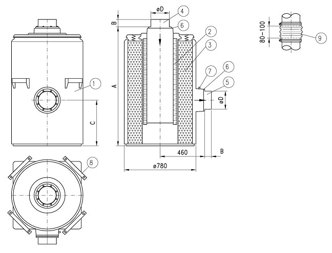
| Type | GF 150 / 180 / 200E | GF 600E | GF 900 / 1000 / 1200E | GF 1500 E/S |
| (LS T 97-053) | (LST 00-052) | (LST 95-002) | (LS T 03-051) | |
| Kapasitet, m²/h | 150/180/200 | 600 | 900/1000/1200 | 1500 |
| Motstand, Pa | 320/410/465 | 750 | 650/750/900 | 1000 |
| Vekt, Kg | 60 | 230 | 305 | 365 |
| Dimensjoner | ||||
| Type | A | C | C | øD |
| GF 600 E | 1285 | 100 | 630 | 150 |
| GF 900/1000/1200 E | 1285 | 100 | 500 | 200 |
| GF 1500 E/S | 1540 | 60 | 650 | 250 |