Funksjon
Filteret har samme konstruksjon som ABC filter type GF, men er uten HEPA filter og inneholder en annen type kull som er egnet til å fjerne hydrogensulfid. Filtreringen skjer ved at H2S absorberes av spesialpreparert aktivt kull, type IVP fra Chemviron.
Montering
H2S-filteret er testet for sjokk opp til 16 g, og kan derfor normalt boltes direkte til gulv med ekspansjonsbolter. Ved behov for større filterkapasitet kan flere filtre parallellkobles. Kun filtre av samme type og størrelse kan parallellkobles. Hvert filter skal påmonteres en volumregulator for å sikre at nominell kapasitet ikke blir overskredet, og for å kompensere for ulik kanalmotstand når flere filtre er parallellkoblet. Volumregulatoren ansluttes på filterets utløpsside.
Innregulering av ventilasjonssystem
Som tilleggsutstyr kan vi levere et motstandsstykke for simulering av filterventilasjon ved innregulering av ventilasjonssystem.
Lagring og vedlikehold
H2S filteret tilkobles ventilasjonssystemet ved montering, men skal forbli hermetisk lukket og plombert inntil en beredskapssituasjon. Ved klargjøring av trekkes plomberte blindplater ved stussene ut til siden uten å koble kanalene fra hverandre. Foruten renhold og vedlikehold av filterbeholderens overflate, er det ikke behov for annet vedlikehold så lenge filteret er hermetisk lukket og plombert.
Forespørsler
Ved forespørsel og bestilling bes oppgitt:
Type
- Tilleggsutstyr
- Motstandstykke for testing
- Volumregulator
- Ekspansjonsbolter for feste til gulv
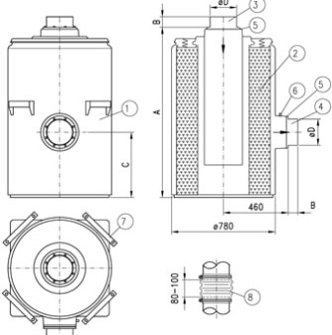
H2S-filter GF med IVP kull (se illustrasjon)
1. Filterhus
2. Aktivt kullfilter
3. Innløpsstuss
4. Utløpsstuss
5. Plombert blindplate
6. Trykkutjevningsskrue
7. Festebraketter
8. Fleksibel mansjett
Det tas forbehold om konstruksjonsendringer.

FDV / Produktblad
H2S Filter GF Med IVP Kull| TYPE | GF 600E med IVP kull | HS 900 / 1000 / 1200E med IVP kull |
HS 1500E/S med IVP kull |
| Luftmengde, m3/h | 600 | 900 / 1000 / 1200 | 1500 |
| Startmotstand, Pa | 700 | 650 / 750 / 900 | 900 |
| H2S absorbsjonskapasitet, kg | 22 | 37 | 45 |
| Vekt, kg | 230 | 305 | 365 |