Bruksområde
Ventilen er godkjent av Direktoratet for samfunnssikkerhet og beredskap som sjokkventil uten dempningsledd for luftevakuering fra tilfluktsrom i betong. Ventilen monteres på innsiden av trykkbarrieren til vegg-gjennomføring, eller til gjennomføring i betongdør TBS-20. Eventuelt til innsveiset gjennomføring ved stålkonstruksjoner. Ventilen har også anvendelse i sivile produksjonsanlegg hvor det er fare for eksplosjoner, for eksempel petrokjemiske anlegg, og i redningsrom i tunneler.
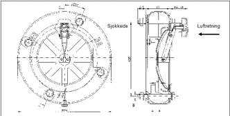
Konstruksjon
Ventilen består av et hus i pulverlakkert stål, ventilklaff i aluminiumslegering, og øvrige bevegelige deler i rustfritt stål. Klaffen åpner seg av innvendig overtrykk, og lukker av utvendig eksplosjonstrykk. Maksimal åpning kan reguleres vha. en låsbar reguleringsskrue. Ventilen har pakning mellom ventilklaff og hus slik at det oppnås god tetthet ved manuell lukking med reguleringsskruen.
Tekniske data
Ventilen er godkjent for et refleksjonstrykk på 300 kPa av lang varighet. Ventilklaffen vil begynne å åpne ved et overtrykk på ca 50 Pa og vil ha full åpning ved ca 100 Pa. Overtrykket kan økes ved hjelp av reguleringsskruen. Luftlekkasje ved manuell lukking v.h.a. reguleringsskruen: 0,108 m3/h ved 150 Pa differansetrykk.
Innregulering av overtrykk:
1. Reguleringsskruen skrus ut.
2. Reguleringsskruen skrus inn til korrekt overtrykk oppnås.
Tilleggsutstyr
Vegg-gjennomføring i varmforsinket stål.

